|
|
|
|
|
| 制御機器/温度センサ・温調関連機器 |
| 温度センサ |
 |
| 特長 |
■温度センサは温度調節器の感熱部として使用。 |
|
■使用する温度、場所、周囲雰囲気に応じて選択可能。 |
|
■種類、形状、長さおよび端子部の形状が豊富。 |
|
■汎用タイプにローコストタイプ、専用タイプと豊富な品揃え。 |
|
|
|
|
| 温度調節器 |
 |
| 特長 |
■文字高さ16mmで見やすさ向上。 |
|
■パラメータを絞り込み簡単設定。 |
|
■入力は側温抵抗体、熱電対の選択。 |
|
|
|
| サイズ |
電源電圧 |
センサタイプ |
警報 出力 |
制御出力 |
形式 |
標準価格 |
E5CB 48×48mm |
AC100〜 240V |
熱電対 |
1 |
リレー出力 |
◎ |
E5CB-R1TC |
9,800円 |
| 白金測温抵抗体 |
◎ |
E5CB-R1P |
| 熱電対 |
電圧出力 (SSR駆動用) |
◎ |
E5CB-Q1TC |
| 白金測温抵抗体 |
◎ |
E5CB-Q1P |
| AC/DC24V |
熱電対 |
リレー出力 |
◎ |
E5CB-R1TCD |
| 白金測温抵抗体 |
◎ |
E5CB-R1PD |
| 熱電対 |
電圧出力 (SSR駆動用) |
◎ |
E5CB-Q1TCD |
| 白金測温抵抗体 |
◎ |
E5CB-Q1PD |
|
|
|
|
| 温度調節器 |
 |
| 特長 |
■温度調節器に求められるほとんどの標準機能を搭載。 |
|
■11セグメント表示、表示色切換機能などわかりやすい表示。 |
|
■サポートソフトウェア(CX-thermo)に全機種対応。 |
|
■入力は側温抵抗体(2種)、熱電対(12種)のワイドレンジ。 |
|
|
| ケース色:黒 |
制御
出力 |
制御
モード
*1 |
補助
出力
点数 |
ヒータ断線・
SSR故障・
ヒータ過電
流検出機能/
形ES1B用
電源 |
イベント
入力
点数 |
伝送出力
*2 |
通信 |
旧形式
(新旧形
式の変
更はあり
ません) |
新形式 |
標準価格 |
リレー
出力 |
標準 |
- |
- |
- |
- |
- |
右に同じ |
◎ |
E5CN-RT |
15,000円 |
標準
または
加熱
冷却 |
2点 |
右に同じ |
◎ |
E5CN-R2T |
20,000円 |
単相ヒータ用
検出機能 |
2点 |
右に同じ |
◎ |
E5CN-R2HBT |
22,000円 |
| - |
RS-485 |
右に同じ |
◎ |
E5CN-R2H03T-FLK |
29,000円 |
単相または
三相ヒータ用
検出機能 |
右に同じ |
◎ |
E5CN-R2HH03T-FLK |
30,000円 |
単相ヒータ用
検出機能/
形ES1B用
電源 |
- |
右に同じ |
|
E5CN-R2PHT |
24,000円 |
形ES1B用
電源 |
2点 |
右に同じ |
|
E5CN-R2PBT |
22,000円 |
| - |
RS-485 |
- |
|
E5CN-R2P03T-FLK |
29,000円 |
高寿命
リレー
出力 |
標準
または
加熱
冷却 |
2点 |
- |
- |
- |
- |
右に同じ |
|
E5CN-Y2T |
22,000円 |
単相ヒータ用
検出機能 |
RS-485 |
右に同じ |
|
E5CN-Y2H03T-FLK |
31,000円 |
| 2点 |
- |
右に同じ |
|
E5CN-Y2HBT |
24,000円 |
単相または
三相ヒータ用
検出機能 |
- |
RS-485 |
右に同じ |
|
E5CN-Y2HH03T-FLK |
32,000円 |
電圧
出力
(SSR
駆動用) |
標準 |
- |
- |
- |
- |
- |
右に同じ |
◎ |
E5CN-QT |
15,000円 |
標準
または
加熱
冷却 |
2点 |
右に同じ |
◎ |
E5CN-Q2T |
20,000円 |
単相ヒータ用
検出機能 |
RS-485 |
右に同じ |
◎ |
E5CN-Q2H03T-FLK |
29,000円 |
| 2点 |
- |
右に同じ |
◎ |
E5CN-Q2HBT |
22,000円 |
単相または
三相ヒータ用
検出機能 |
- |
RS-485 |
右に同じ |
◎ |
E5CN-Q2HH03T-FLK |
30,000円 |
単相ヒータ用
検出機能/
形ES1B用
電源 |
- |
右に同じ |
|
E5CN-Q2PHT |
24,000円 |
形ES1B用
電源 |
2点 |
右に同じ |
|
E5CN-Q2PBT |
22,000円 |
| - |
RS-485 |
- |
|
E5CN-Q2P03T-FLK |
29,000円 |
電流
出力 |
標準 |
- |
- |
- |
伝送出力
可能
(制御出
力を使用) |
- |
右に同じ |
◎ |
E5CN-CT |
20,000円 |
標準
または
加熱
冷却 |
2点 |
右に同じ |
◎ |
E5CN-C2T |
23,000円 |
| 2点 |
右に同じ |
◎ |
E5CN-C2BT |
25,500円 |
| - |
RS-485 |
右に同じ |
◎ |
E5CN-C203T-FLK |
32,500円 |
形ES1B用
電源 |
2点 |
- |
- |
|
E5CN-C2PBT |
26,000円 |
|
| *1. 加熱冷却制御機能を使用する場合、補助出力を制御出力(冷却側)として使用します。 |
| その場合、使用できる補助出力点数は1点減ります。また、制御出力(冷却側)の信号はリレー出力となります。 |
| *2. 伝送出力機能を使用する場合、電流の制御出力を、伝送出力として使用します。 |
| その場合、制御出力としては、補助出力を使用し(補助出力なしタイプは、該当しません)、制御出力の信号はリレー出力となります。 |
|
|
|
|
|
| ケース色:シルバー |
制御
出力 |
制御
モード
*1 |
補助
出力
点数 |
ヒータ断線・
SSR故障・
ヒータ過電
流検出機能/
形ES1B用
電源 |
イベント
入力
点数 |
伝送出力
*2 |
通信 |
旧形式
(新旧形
式の変
更はあり
ません) |
新形式 |
標準価格 |
リレー
出力 |
標準 |
− |
− |
− |
− |
− |
− |
◎ |
E5CN-RT-W |
15,000円 |
標準
または
加熱
冷却 |
2点 |
− |
◎ |
E5CN-R2T-W |
20,000円 |
単相ヒータ用
検出機能 |
2点 |
− |
◎ |
E5CN-R2HBT-W |
22,000円 |
| − |
RS- 485 |
− |
|
E5CN-R2H03T-W- FLK |
29,000円 |
単相または
三相ヒータ用
検出機能 |
− |
|
E5CN-R2HH03T-W-FLK |
30,000円 |
電圧
出力
(SSR
駆動用) |
標準 |
− |
− |
− |
− |
− |
− |
◎ |
E5CN-QT-W |
15,000円 |
標準
または
加熱
冷却 |
2点 |
− |
◎ |
E5CN-Q2T-W |
20,000円 |
単相ヒータ用
検出機能 |
2点 |
− |
◎ |
E5CN-Q2HBT-W |
22,000円 |
| − |
RS- 485 |
− |
|
E5CN-Q2H03T-W-FLK |
29,000円 |
単相または
三相ヒータ用
検出機能 |
− |
|
E5CN-Q2HH03T- W-FLK |
30,000円 |
電流
出力 |
標準 |
− |
− |
− |
伝送出力
可能
(制御出
力を使用) |
− |
− |
◎ |
E5CN-CT-W |
20,000円 |
標準
または
加熱
冷却 |
2点 |
− |
◎ |
E5CN-C2T-W |
23,000円 |
| 2点 |
− |
|
E5CN-C2BT-W |
25,500円 |
| − |
RS-485 |
− |
|
E5CN-C203T-W-FLK |
32,500円 |
|
|
|
|
| デジタル温度指示計 |
 |
| 特長 |
■入力は側温抵抗体(2種)、熱電対(10種)のワイドレンジ。 |
|
■ちらつきを抑える平均化処理機能搭載。 |
|
■MAX/MIN表示の確認ができます。 |
|
|
| 寸法(mm) |
入力タイプ |
出力 タイプ |
電源電圧 |
標準価格 |
| AC100〜240V(50/60Hz) |
AC24V(50/60Hz)、
DC24V |
|
96(W)×48(H)×奥行き80
|
白金測温 抵抗体/ 熱電対入力 |
なし |
◎ |
K3MA-L
AC100-240V |
|
K3MA-L
AC/DC24V |
21,000円 |
リレー接点 出力 (1c出力) |
◎ |
K3MA-L-C
AC100-240V |
◎ |
K3MA-L-C
AC/DC24V |
25,500円 |
|
|
|
| ヒーター用ソリッドステートリレー |
 |
| 特長 |
■放熱機器一体の小型スリムタイプのSSR。 |
|
■ゼロクロス無しタイプを品揃え。 |
|
■サージパス機能により出力回路のサージ電圧耐性を向上。 |
|
■DINレールおよび、ねじ取付が可能。 |
|
|
| 電源相数 |
絶縁方式 |
動作表示灯 |
入力の 定格電圧 |
ゼロクロス 機能 |
出力の定格負荷 |
形式 |
標準価格 |
| 単相 |
フォト・ トライアック・ カプラ |
有(黄色) |
DC12〜24V |
有 |
15A AC100〜240V |
◎ |
G3PE-215B
DC12-24 |
3,500円 |
| 25A AC100〜240V |
◎ |
G3PE-225B
DC12-24 |
4,500円 |
| 35A AC100〜240V |
◎ |
G3PE-235B
DC12-24 |
6,000円 |
| 45A AC100〜240V |
◎ |
G3PE-245B
DC12-24 |
7,000円 |
| 無 |
15A AC100〜240V |
|
G3PE-215BL
DC12-24 |
3,400円 |
| 25A AC100〜240V |
|
G3PE-225BL
DC12-24 |
4,400円 |
| 35A AC100〜240V |
|
G3PE-235BL
DC12-24 |
5,900円 |
| 45A AC100〜240V |
|
G3PE-245BL
DC12-24 |
6,900円 |
| 有 |
15A AC200〜480V |
◎ |
G3PE-515B
DC12-24 |
5,000円 |
| 25A AC200〜480V |
◎ |
G3PE-525B
DC12-24 |
6,000円 |
| 35A AC200〜480V |
◎ |
G3PE-535B
DC12-24 |
7,000円 |
| 45A AC200〜480V |
◎ |
G3PE-545B
DC12-24 |
8,000円 |
| 無 |
15A AC200〜480V |
|
G3PE-515BL
DC12-24 |
4,900円 |
| 25A AC200〜480V |
|
G3PE-525BL
DC12-24 |
5,900円 |
| 35A AC200〜480V |
|
G3PE-535BL
DC12-24 |
6,900円 |
| 45A AC200〜480V |
|
G3PE-545BL
DC12-24 |
7,900円 |
|
|
|
| ユニバーサルリレー |
 |
|
 |
| 特長 |
■双方向極性高輝度動作表示LEDを標準装備。 |
|
■接点の動作状況を確認することができるメカニカルインジケータを標準装備。(ソルダ端子タイプ) |
|
■マーキングプレート(黄色)を標準装備。 |
|
■最大接点定格は、RU2形10A、RU4形6A。 |
|
■UL、CSA、c-UL承認、およびEN規格適合品。 |
|
|
|
| 形式 |
2極 |
4極 |
| 型番 |
標準価格 |
型番 |
標準価格 |
| ソルダ端子 |
ラッチングレバー有 |
標準形 |
RU2S-C-D12 |
1,085円 |
RU2S-C-D12 |
1,135円 |
| RU2S-C-D24 |
1,085円 |
RU2S-C-D24 |
1,135円 |
| RU2S-C-D100 |
1,085円 |
RU2S-C-D100 |
1,135円 |
| RU2S-C-A24 |
1,085円 |
RU2S-C-A24 |
1,135円 |
| RU2S-C-A100 |
1,085円 |
RU2S-C-A100 |
1,135円 |
| RU2S-C-A200 |
1,085円 |
RU2S-C-A200 |
1,135円 |
| ラッチングレバー無 |
標準形 |
RU2S-D12 |
1,085円 |
RU2S-D12 |
1,135円 |
| RU2S-D24 |
1,085円 |
RU2S-D24 |
1,135円 |
| RU2S-D100 |
1,085円 |
RU2S-D100 |
1,135円 |
| RU2S-A24 |
1,085円 |
RU2S-A24 |
1,135円 |
| RU2S-A100 |
1,085円 |
RU2S-A100 |
1,135円 |
| RU2S-A200 |
1,085円 |
RU2S-A200 |
1,135円 |
|
|
| 他社と互換性のあるリレーです。(端子配列同等品) |
|
| ソケット(ユニバーサルリレー適合品) |
|
|
| リレー |
極数 |
配線方式 |
型番 |
標準価格 |
| RU-2 |
2 |
表面配線形ソケット |
SM2S-05D |
410円 |
| RU-4 |
4 |
表面配線形ソケット |
SY4S-05D |
515円 |
|
|
| 他社と互換性のあるリレーです。(端子配列同等品) |
|
| 補償導線K熱電対用(M) |
 |
| 特長 |
■熱電対のリード線として使用します。 |
|
■温度センサ(K熱電対)を延長する場合にも使用します。 |
|
■VXGは防湿、防水性を施した遮蔽無し熱電対用です。 |
|
■KXGSは静電遮蔽効果と防湿、防水性を有しています。 |
|
|
| 型式 |
断面積
(mm2) |
対数 |
区分 |
使用温度
(℃) |
導体材質 |
導体 |
絶縁厚さ
(mm) |
絶縁体 |
シース |
シース厚さ
(mm) |
仕上外径
(mm) |
電気的特性 |
概算質量
(g/m) |
販売価格
(100m) |
+極
(赤) |
-極
(白) |
構成
(本/mm) |
外径
(mm) |
耐電圧
(v/分) |
絶縁特性
(MΩkm) |
熱起電力
(100℃mv) |
| KVXG |
0.5(AWG20) |
1P=2芯 |
一般用普通級 |
-20〜60 |
銅 |
コンスタンタン |
7/0.3 |
0.9 |
0.5 |
PVC |
PVC |
0.65 |
3.2×5.1 |
AC1000 |
50以上 |
4.096±0.100 |
23 |
11,000円 |
| 1.25(AWG16) |
銅 |
コンスタンタン |
7/0.45 |
1.35 |
0.6 |
1 |
4.6×7.1 |
54 |
18,200円 |
| KXGS |
0.5(AWG20) |
一般用精密級 |
クロメル |
アルメル |
7/0.3 |
0.9 |
0.5 |
0.65 |
3.2×5.1 |
4.096±0.060 |
23 |
19,000円 |
| 1.25(AWG16) |
クロメル |
アルメル |
7/0.45 |
1.35 |
0.6 |
1 |
4.6×7.1 |
54 |
34,200円 |
| KXHSR |
0.3(AWG22) |
耐熱用精密級 |
-20〜200 |
クロメル |
アルメル |
30/0.1 |
0.6 |
0.3 |
フッ素樹脂 |
フッ素ゴム |
0.8 |
4 |
1000以上 |
4.096±0.060 |
31 |
84,000円 |
|
| *KXHSRは可動用となります。 |
| 1m単位からのカット品はお問い合わせください。 |
|
| 補償導線R熱電対用(M) |
 |
 |
 |
| 特長 |
■熱電対のリード線として使用します。 |
|
■温度センサ(R熱電対)を延長する場合にも使用します。 |
|
■RXGは防湿、防水性を施した遮蔽無し熱電対用です。 |
|
■RXGBAは静電遮蔽効果と防湿、防水性を有しています。 |
|
■RXHはガラス編組絶縁、ガラス編組外被を施し耐熱性を有しています。 |
|
| RXG |
RXGBA |
RXH |
|
| 型式 |
断面積
(mm2) |
対数 |
区分 |
使用温度
(℃) |
導体材質 |
導体 |
絶縁厚さ
(mm) |
絶縁体 |
シース |
シース厚さ
(mm) |
仕上外径
(mm) |
電気的特性 |
販売価格
(100m) |
+極
(赤) |
-極
(白) |
構成
(本/mm) |
外径
(mm) |
耐電圧
(v/分) |
絶縁特性
(MΩkm) |
熱起電力
(100℃mv) |
| RXG |
1.25(AWG16) |
1P=2芯 |
一般用普通級 |
-20〜60 |
銅 |
銅ニッケル合金 |
7/0.45 |
1.35 |
0.6 |
PVC |
PVC |
1 |
4.6×7.1 |
DC500 |
0.1以上 |
647±60 |
26,000円 |
| RXGBA |
1.25(AWG16) |
一般用普通級 |
銅 |
銅ニッケル合金 |
7/0.45 |
1.35 |
0.6 |
1 |
4.6×7.1 |
647±60 |
36,600円 |
| RXH |
1.25(AWG16) |
一般用普通級 |
-20〜200 |
銅 |
銅ニッケル合金 |
7/0.45 |
1.35 |
0.6 |
ガラス編組 |
ガラス編組 |
0.45 |
3.0×5.1 |
647±60 |
35,800円 |
|
| 1m単位からのカット品はお問い合わせください。 |
|
| K熱電対用コネクタ(M) |
 |
| 特長 |
■補償導線をコネクタに接続することにより脱着が容易になります。 |
| 仕様 |
使用温度:0〜130℃ ケース材質:ポリプロピレン |
|
|
| 型式 |
区分 |
ピンピッチ(mm) |
販売価格 |
| NDC-8 |
小 |
8.0 |
1,650円 |
| NDC-127 |
標準 |
10.9 |
2,560円 |
|
|
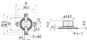
| バイメタルサーモスタット(M) |
 |
| 特長 |
■自動復帰式のバイメタルです。 |
|
■電源投入時は通電(NC)し動作温度定格に達すると接点が切れ通電しません。 |
|
■動作温度定格以下になると自動復帰します。 |
| 仕様 |
材質 本体:セラミック キャップ:アルミ バイメタル:ディスクバイメタル |
|
|
 |
|
| 型式 |
動作温度定格(℃) |
販売価格 |
| BMS-080 |
80±5 |
2,300円 |
| BMS-100 |
100±5 |
| BMS-120 |
120±5 |
| BMS-140 |
140±5 |
| BMS-160 |
160±5 |
| BMS-180 |
180±5 |
| BMS-200 |
200±5 |
|
|
|
| サーモスタット(M) |
 |
| 特長 |
■感熱部に封入された熱膨張係数の高い液体により接点をON-OFFして温度制御を行います。 |
| 仕様 |
抵抗負荷:16A 誘導負荷:2.6A 電圧:250V |
|
|
| 型式 |
区分 |
測定温度範囲(℃) |
温度差(℃) |
センサ最低温度(℃) |
最高温度(℃) |
販売価格 |
| TH-L |
標準 |
30〜110 |
±4.5 |
-10 |
120 |
4,360円 |
| TH-H |
高温 |
50〜320 |
±10 |
330 |
|
|
| サーモスタット用ボックス(M) |
 |
| 特長 |
■サーモスタット専用のボックスです。 |
|
■ボックス内に取付けることにより安全に使用できます。 |
| 仕様 |
材質 本体:SPC 表面処理:亜鉛メッキ(三価クロメート) |
|
|
|
|
|
| 感熱部保護管(M) |
 |
| 特長 |
■感熱部専用の保護管です。 |
|
■保護管内に感熱部を入れることより安全に使用できます。 |
| 仕様 |
材質:SUS304 |
|
|
| 型式 |
外径(mm) |
内径(mm) |
管長さ(mm) |
内ネジ |
取付ネジ |
適用サーモスタット |
販売価格 |
| THP-L |
9.5 |
7.5 |
150 |
Rc1/4 |
R3/8 |
TH-L |
3,400円 |
| THP-H |
8.0 |
6.0 |
120 |
TH-H |
|
|
| 温度ヒューズ(SD) |
 |
|
マイクロテンプ |
| 特長 |
■あらゆる電化製品の保護装置として、ヒーター、バッテリー、モーターのプロテクタに最適です。 |
| 仕様 |
定格:250V10A 接点:温度上昇にて溶断(OFF) |
|
環境対応商品 鉛フリー ワイヤ直径:1mm ワイヤ長さ:49mm 本体直径:4mm 本体長さ:10mm |
|
|
| 型番 |
新型番 |
動作温度(℃) |
標準価格 |
| E4A50072C |
G4A50072C |
72 |
新型番G4Aシリーズ
300円 |
| E4A50077C |
G4A50077C |
77 |
| E4A50084C |
G4A50084C |
84 |
| E4A50093C |
G4A50093C |
93 |
| E4A50098C |
G4A50098C |
98 |
| E4A50104C |
G4A50104C |
104 |
| E4A50110C |
G4A50110C |
110 |
| E4A50117C |
G4A50117C |
117 |
| E4A50121C |
G4A50121C |
121 |
| E4A50128C |
G4A50128C |
128 |
| E4A50144C |
G4A50144C |
144 |
| E4A50152C |
G4A50152C |
152 |
| E4A50167C |
G4A50167C |
167 |
| E4A50184C |
G4A50184C |
184 |
| E4A50192C |
G4A50192C |
192 |
| E4A50216C |
G4A50216C |
216 |
| E4A50229C |
G4A50229C |
229 |
| E4A50240C |
G4A50204C |
240 |
|
| 最小取扱数量:10コ |
|
| 温度ヒューズ(FT) |
 |
|
感温ペレットタイプ |
| 特長 |
■あらゆる電化製品の保護装置として、ヒーター、バッテリー、モーターのプロテクタに最適です。 |
| 仕様 |
定格:250V10A 接点:温度上昇にて溶断(OFF) 安全使用温度は目安の温度となります。 |
|
環境対応商品 鉛フリー ワイヤ直径:1mm ワイヤ長さ:54mm 本体直径:4mm 本体長さ:10mm |
|
|
| 型番 |
動作温度(℃) |
標準価格 |
| S071 |
75 |
オープン価格 |
| S083 |
87 |
| S099 |
103 |
| S112 |
116 |
| S117 |
121 |
| S127 |
131 |
| S132 |
136 |
| S143 |
147 |
| S154 |
158 |
| S169 |
172 |
| S181 |
185 |
| S215 |
219 |
| S229 |
233 |
|
| 最小取扱数量:100コ |